
THROUGH TYPE TERMINAL
Terminal FTB100-12
The unique fence-like partition structure physically separates adjacent wiring points, effectively preventing short circuits and accidental touches, and is especially suitable for high voltage and high current environments. The screw crimping or spring clamping design ensures that the wires remain in close contact under harsh working conditions such as vibration and impact, solving the problem of traditional winding wiring being easily loosened.
Product Overview
Efficient installation: Spring or screw crimping design is used to greatly shorten the wiring time;
Reliable contact: The fence structure ensures that the wire is resistant to vibration and loosening;
Modular expansion: Supports multi-channel combination and flexible adaptation to different circuit requirements;
Safety protection: The insulating shell design effectively prevents the risk of electric shock and short circuit
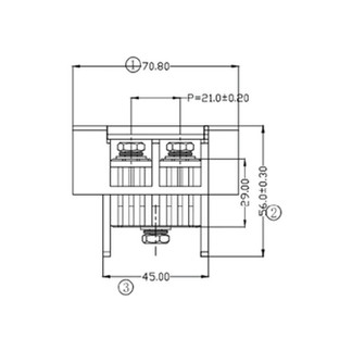
Technical Drawings
Technical Specifications
Property | Description |
|---|---|
Product Type | FTB100-12 |
Product Color | Black Red |
Pressure Line Range | 4-38mm2 |
Screw Torque | 10 Ibf. in |
Rated Current | 600V 100A |
Surge Voltage | 6000V |
Insulation Body | PBT, UL94, V-0 |
Screw Material | M5, Steel |
Terminal Body | Brass |
Operating Temperature | -40°C ~ 105°C |





